

直滑式 Rotary Potentiometers series Specifications | ||||||||
| 1.電氣性能 (Electrical Characteristics) | ||||||||
| 1.1 | 全阻抗值 (Total Resistance) | 1KΩ ~ 2MΩ | ||||||
| 1.2 | 全阻抗值允许偏差(Total Resistance Tolerance) | ±20% ( More than 1 M Ω ±30%) | ||||||
| 1.3 | 電阻隨溫度變化特性 | 20℃-75℃:△R/R≤±5%, | ||||||
| Resistance of temperature change character) | -25℃-20℃:△R/R≤±4.5% | |||||||
| 1.4 | 阻值變化特性(Resistance Taper) | A, B , C, W | ||||||
| 1.5 | 零位阻值(Residual Resistance) | R≥250KΩ / 0.1 % max. of total Value | ||||||
| 250KΩ>R>10KΩ / 20Ω max. | ||||||||
| 10KΩ≥R / 10Ω max. | ||||||||
| 1.6 | 額定功率(Rated Power) | TAPER | TRAVEL | |||||
| 15mm | 20mm | 30mm | 45mm | 60mm | 100mm | |||
| Linear B: | 0.025W | 0.05W | 0.1W | 0.125W | 0.125W | 0.125W | ||
| Other | 0.012W | 0.025W | 0.05W | 0.06W | 0.06W | 0.06W | ||
| 1.7 | 最高使用電壓(Max.Operating Voltage) | 50V AC | ||||||
| 1.8 | 動雜音(Rotational Noise) | Less Than 100mV | ||||||
| 1.9 | 絕缘阻抗(Insulation Resistance) | More than 100MΩ at DC 250V | ||||||
| 1.10 | 耐電壓(Withstand Voltage) | For 1 minute at: AC 300V | ||||||
| 1.11 | 开关额定功率(Switch Rated Power) | --------------- | ||||||
| 1.12 | 同步誤差(Gang Error) | 0dB~-40dB ≤3dB | ||||||
| 2.機械性能(Mechanical Characteristics) | ||||||||
| 2.1 | 滑动行程(Slide travel) | T=(15,20,30,45,60)±1.0mm | ||||||
| 2.2 | 滑动力矩(Operating force) | 10~200gf.cm | ||||||
| 2.3 | 柄的拉、押強度(Pull-Push Strength) | Pull 3Kgf.cm / Push 5 Kgf.cm | ||||||
| 2.4 | 滑动止檔強度(Rotational Stop-End Torque) | 5 kgf.cm Min | ||||||
| 2.5 | 推柄摆动度 (Lever wobble) | 2xL/25mm Max. (L=Lever length) | ||||||
| 2.6 | 旋轉定位數目(Number of Detents(click) | detent: 0 ; 1 centre Click | ||||||
| 2.7 | 焊錫耐熱性(Resistance To Soldering Heat) | 260±5℃and less than 3 seconds | ||||||
| 3.耐久性能 (Durability) | ||||||||
| 3.1 | 回轉壽命(Rotation Life) | 10,000 Cycles min. | ||||||
| 3.2 | 工作温度 (Operating temperature) | -10℃~+70℃ | ||||||
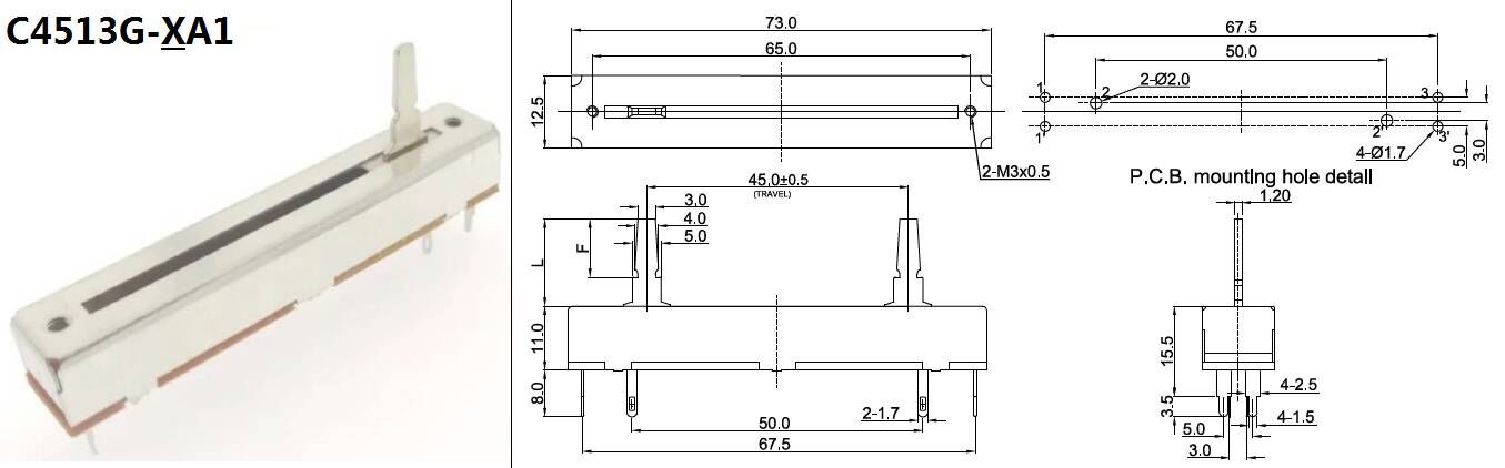
| 4.1 | 外形尺寸圖/曲線特性圖 | 见附页 | ||||||
| (Shape size drawing/curve characteristic drawing) | Please refer the drawing | |||||||
Copyright ©2007-2025 YUWAH Electronics LIMITED All Rights Reserved.

