

| 1.電氣性能 (Electrical Characteristics) | ||
| 1.1 | 全阻抗值 (Total Resistance) | 1KΩ ~ 2MΩ |
| 1.2 | 全阻抗值允许偏差(Total Resistance Tolerance) | ±20% ( More than 1 M Ω ±30%) |
| 1.3 | 電阻隨溫度變化特性 | 20℃-75℃:△R/R≤±5%, |
| Resistance of temperature change character) | -25℃-20℃:△R/R≤±4.5% | |
| 1.4 | 阻值變化特性(Resistance Taper) | A, B , C, W |
| 1.5 | 零位阻值(Residual Resistance) | R≥250KΩ / 0.1 % max. of total Value |
| 250KΩ>R>10KΩ / 20Ω max. | ||
| 10KΩ≥R / 10Ω max. | ||
| 1.6 | 額定功率(Rated Power) | Linear Taper B: 0.1W Other Taper:0.05W |
| 1.7 | 最高使用電壓(Max.Operating Voltage) | 50V AC |
| 1.8 | 動雜音(Rotational Noise) | Less Than 100mV |
| 1.9 | 絕缘阻抗(Insulation Resistance) | More than 50MΩ at DC 250V |
| 1.10 | 耐電壓(Withstand Voltage) | For 1 minute at: AC 250V |
| 1.11 | 开关额定功率(Switch Rated Power) | -------- |
| 1.12 | 同步誤差(Gang Error) | -------- |
| 2.機械性能(Mechanical Characteristics) | ||
| 2.1 | 全回轉角度(Rotation Angle) | 300°±10° |
| 2.2 | 旋轉力矩(Rotation Torque) | 20~200gf.cm |
| 2.3 | 軸的拉、押強度(Pull-Push Strength) | 6 Kgf.cm |
| 2.4 | 轉動止檔強度(Rotational Stop-End Torque) | 5 kgf.cm Min |
| 2.5 | 开关角度(Switch Working Angel) | -------- |
| 2.6 | 开关力矩(Switch Working Torque) | -------- |
| 2.7 | 旋轉定位數目(Number of Detents(click) | detent: 0 ; 1 |
| 2.8 | 焊錫耐熱性(Resistance To Soldering Heat) | 260±5℃and less than 3 seconds |
| 3.耐久性能 (Durability) | ||
| 3.1 | 回轉壽命(Rotation Life) | 10,000 Cycles min. |
| 3.2 | 工作温度 (Operating temperature) | -10℃~+70℃ |
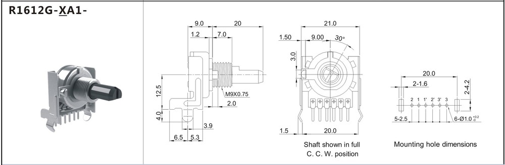
| 4.1 | 外形尺寸圖/曲線特性圖 | 见附页 |
| (Shape size drawing/curve characteristic drawing) | Please refer the drawing | |
Copyright ©2007-2026 YUWAH(HK) LIMITED All Rights Reserved.

